欢迎访问镇江亚飞电子散热器有限公司官方网站!

全国咨询服务热线:18952822221
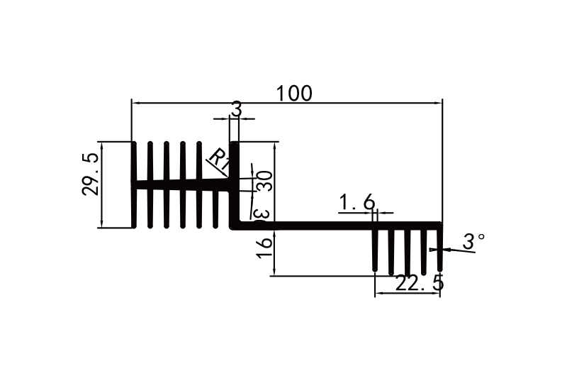
型材散热器产品参数
您的位置:网站首页 >> 型材散热器产品参数

YF-10021

本文共分 1